ТОНАЛЬНЫЕ РЕЛЬСОВЫЕ ЦЕПИ И ИХ ПРИМЕНЕНИЕ
Конференция: CCCXIII Студенческая международная научно-практическая конференция «Молодежный научный форум»
Секция: Технические науки

CCCXIII Студенческая международная научно-практическая конференция «Молодежный научный форум»
ТОНАЛЬНЫЕ РЕЛЬСОВЫЕ ЦЕПИ И ИХ ПРИМЕНЕНИЕ
Аннотация. В статье рассмотрена характеристика тональных рельсовых цепей. Выделены особенности и виды ТРЦ
Ключевые слова: рельсовые цепи, путевые устройства, электрическая тяга.
Тональные рельсовые цепи (ТРЦ) — это рельсовые цепи с сигнальным током тонального диапазона частот, работающие на частотном амплитудно-модулированном сигнале. ТРЦ применяются в системах автоматики и телемеханики на железнодорожном транспорте. Некоторые области использования:
- На участках с автономной и электрической тягой.
- При внедрении систем диспетчерской централизации.
- На участках с пониженным сопротивлением балласта.
- На станциях — в системах станционной автоблокировки, совместно со стрелочными электроприводами и трансмиттерами.
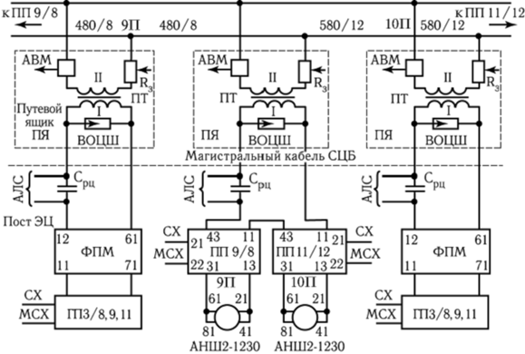
ТРЦ позволяют контролировать положение стрелок, занятость отдельных участков пути и маршрутов при маневровой работе. В ТРЦ используется амплитудно-модулированный сигнал, который формируется генератором, усиливается и поступает в рельсовую линию через путевой трансформатор. Из рельсовой линии этот сигнал принимается приёмником, который в зависимости от величины напряжения сигнала обеспечивает срабатывание путевого реле.

Рисунок 1. Схема работы тональных рельсовых цепей
В состав аппаратуры ТРЦ входят:
- Передающие устройства — генераторы и путевые фильтры.
- Приёмные устройства — различные типы приёмников.
- Вспомогательные устройства — трансформаторы, разрядники, выключатели.
Бесстыковые рельсовые цепи не имеют четко выраженной точки шунтирования, и рельсовые цепи в диапазоне 420-780 Гц имеют плавающую в завимости от состояния сопротивления балласта точку шунтирования в пределах около 10% от длины рельсовой цепи (зона дополнительного шунтирования). С целью уменьшения зоны дополнительного шунтирования и для исключения перекрытия светофора перед движущимся поездом у каждой сигнальной установки устраиваются две короткие (длиной до 300 м)разделительные высокочастотные рельсовые цепи в диапазоне 4,5; 5 или 5,5 кГц и с частотой модуляции 8 или 12 Гц, которые имеют зону дополнительного шунтирования не более 15 м. В дополнение к этому проходной светофор относится на 20 м навстречу движения поезда от точки подключения питающего конца высокочастотной рельсовой цепи.
Для поддержания ТРЦ в работоспособном состоянии необходимо:
- регулярно проверять параметры передатчиков и приёмников;
- следить за состоянием кабельных линий и контактных соединений;
- проводить измерение сопротивления изоляции рельсовой линии;
- своевременно ремонтировать или заменять неисправные элементы.
Новые технологии, которые используются для железнодорожного транспорта эффективно обеспечивают надежность и безопасность подвижного состава.
Новые технологии в сочетании с уже имеющимися средствами позволяют заранее прогнозировать состояние технических объектов. Это оптимизирует ресурсы на поддержание работоспособности систем.
Именно эти технологии позволяют нам реализовать оптимально функции стратегии в части комплексного решения вопросов безопасности движения.





