ЭНЕРГОСБЕРЕЖЕНИЕ И ПОВЫШЕНИЕ ЭНЕРГОЭФФЕКТИВНОСТИ В ЭЛЕКТРОПРИВОДНЫХ СИСТЕМАХ
Конференция: CCCXIX Студенческая международная научно-практическая конференция «Молодежный научный форум»
Секция: Технические науки

CCCXIX Студенческая международная научно-практическая конференция «Молодежный научный форум»
ЭНЕРГОСБЕРЕЖЕНИЕ И ПОВЫШЕНИЕ ЭНЕРГОЭФФЕКТИВНОСТИ В ЭЛЕКТРОПРИВОДНЫХ СИСТЕМАХ
Введение
Современные электроприводные системы занимают ключевое место в различных отраслях промышленности и транспорта, обеспечивая преобразование и управление электрической энергией. В условиях растущих требований к экономии ресурсов и снижению экологической нагрузки энергосбережение и повышение энергоэффективности в электроприводах становятся приоритетными задачами.
Актуальность энергоэффективности в электроприводах
При работе электроприводных систем значительная часть энергии теряется в виде тепла в электродвигателях, преобразователях частоты и механических компонентах. Эти потери напрямую влияют на эксплуатационные расходы и воздействие на окружающую среду. Повышение энергоэффективности позволяет не только снизить энергозатраты, но и увеличить ресурс оборудования, уменьшить выбросы вредных веществ в атмосферу.
Метод энергосбережения на примере лифтовых механизмов
Рассматривается энергосбережение в электроприводах на примере лифтовых механизмов. Лифт выполняет множество циклов подъема, спуска и остановок в течение рабочего времени. Для остановки лифта традиционно применяются колодочные тормоза и тормозные резисторы в цепи постоянного тока преобразователя частоты. Предлагается заменить резисторы на систему рекуперации электроэнергии.
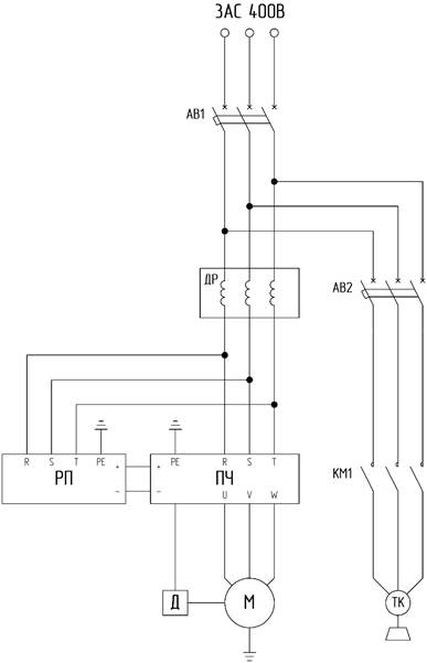
В отечественном производстве подобное оборудование представлено ограниченно, однако компания «ВЕСПЕР» предлагает собственное решение. [1]. Рекуператор интегрируется с преобразователем частоты и обеспечивает режим динамического торможения с возвратом электроэнергии обратно в питающую сеть. Силовая схема подключения двигателя, преобразователя частоты и рекуператора продемонстрирована на рисунке 1, в котором:
АВ – автоматический выключатель;
Д – датчик скорости (энкодер);
ДР – дроссель (ЭМС-фильтр или сетевой дроссель);
КМ – контактор для управления тормозом;
М – электродвигатель;
ПЧ – преобразователь частоты;
РП – рекуператор;
ТК – тормоз колодочный.

Рисунок 1. Подключение рекуператора в силовую часть схемы управления электроприводом лифта
Принцип работы рекуператора энергии в лифтовых электроприводах базируется на преобразовании кинетической энергии движения кабины лифта в электрическую энергию, которая затем возвращается обратно в питающую сеть.
В нормальном режиме работы электропривод питает двигатель электрической энергией для подъема или спуска кабины. Однако во время торможения или при движении кабины с избыточной кинетической энергией (например, при движении груженой кабины вниз) электродвигатель переходит в генераторный режим и начинает вырабатывать электрический ток.
Это приводит к возникновению тормозного момента, который замедляет движение кабины. Вместо того чтобы рассеивать эту энергию в виде тепла в тормозных резисторах, рекуператор преобразует постоянное напряжение в цепи преобразователя частоты обратно в переменное напряжение, синхронизированное с питающей сетью, и возвращает энергию обратно в сеть. [2].
Таким образом рекуперация обеспечивает:
- Снижение энергозатрат за счет повторного использования энергии торможения.
- Отказ от громоздких и тепловыделяющих тормозных резисторов.
- Повышение скорости и эффективности торможения.
- Снижение тепловых потерь и улучшение экологической характеристики электропривода.
В итоге энергия, ранее терявшаяся при торможении лифта, эффективно возвращается в сеть, что повышает общую энергоэффективность и снижает эксплуатационные расходы.
Для работы рекуператора необходим преобразователь частоты с функцией рекуперативного торможения, а также система управления, обеспечивающая переход двигателя в генераторный режим при необходимости торможения.
Эффективность данного метода
Например, лифт рассчитан на грузоподъемность в 600 кг. С учетом веса самого лифта и оборудования, установленного на нём, общий вес лифта при максимальной загруженности составит около 1.2 т. Тогда можно рассчитать примерную требуемую мощность электродвигателя:

Где:
– грузоподъемность;
– ускорение свободного падения (9.81 м/с2);
– скорость подъема лифта;
– КПД.
Тогда при
,
получим:

С учетом запаса в 30% преобразователь частоты должен быть 37 кВт. Для эффективного динамического торможения подойдет рекуператор в 30 кВт. [3]. Поэтому будем использовать его.
Итого примерно при 5 остановках потребление составит около 600 Вт*ч, а возврат энергии в сеть – около 185 Вт*ч.
Это говорит о том, что использование рекуператора снизит расход электроэнергии примерно на 20-40%.
Заключение
Энергосбережение и повышение энергоэффективности в электроприводных системах являются важнейшими задачами современной промышленности. Внедрение передовых технологий и методов управления способствует снижению затрат, улучшению экологической ситуации и повышению надежности оборудования. Дальнейшее развитие в этой области будет способствовать устойчивому развитию энергетики и промышленного производства.





