ИЗУЧЕНИЕ ОСЦИЛЛОГРАФА С1-73
Конференция: CCCXXII Студенческая международная научно-практическая конференция «Молодежный научный форум»
Секция: Технические науки

CCCXXII Студенческая международная научно-практическая конференция «Молодежный научный форум»
ИЗУЧЕНИЕ ОСЦИЛЛОГРАФА С1-73
Цель работы: изучить структурную схему осциллографа и назначение его основных органов управления, освоить измерение амплитуды, длительности и частоты электрических сигналов, получить фигуру Лиссажу, а также определить погрешность измерения параметров сигналов для обеспечения точности и корректности экспериментов.
Для данной работы будут использоваться:
1 Осциллограф электронно-лучевой С1-73.
2 Генератор низкой частоты ГЗ-118.
3 Генератор импульсов Г5-54.
Последовательность выполнения работы
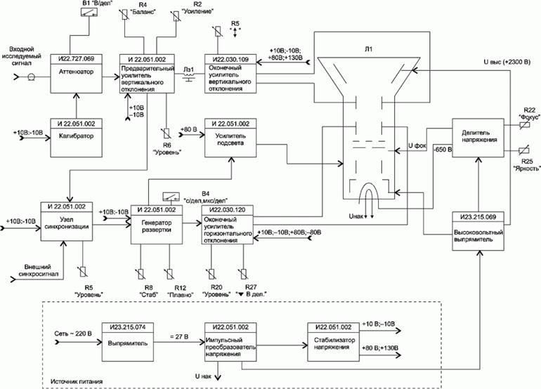
1.Ознакомиться с описанием осциллографа С1-73 и занести в отчет его структурную схему.
Осциллограф электронно-лучевой С1-73: универсальный прибор, предназначенный для исследования формы электрических сигналов в диапазоне от 0 до 5 МГц, а также измерения их амплитуды и длительности.

Рисунок 1.Схема
2. Подготовить осциллограф к работе: установить органы управления в заданные положения, проверить работоспособность по сигналам и яркости, отцентрировать и сфокусировать изображение.
Установить органы управления на передней панели в следующие положения:
Ручку «ЯРКОСТЬ» - в крайнее левое;
Ручку «ФОКУС» - в среднее;
Переключатель «Ѵ/дел.» - «0,05»;
Ручку «УСИЛЕНИЕ» в крайнее правое (до щелчка);
Ручку «↕» - в среднее;
Переключатель «∽⟂≂» - в «⟂»;
Ручку «УРОВЕНЬ» в крайнее правое;
Переключатель «СИНХР» - «≂+»;
Переключатель «mЅ/дел, μS/дел» - «1 mS/дел»;
Ручку «ПЛАВНО» - в крайнее правое (до щелчка);
Ручку «СТАБ» - крайнее правое;
Ручку «↔» - среднее.
Установить тумблеры на правой боковой панели в следующие положения:
«РАЗВЕРТ, ➙◯✕» - «РАЗВЕРТ»;
СИНХР - «▣»;
Включить тумблер «ПИТАНИЕ» на передней панели осциллографа. При этом должна загореться сигнальная лампочка, проверьте работоспособность.
Ручкой «ЯРКОСТЬ» установить яркость изображения, удобную для наблюдения.
Ручкой «↕» вертикального перемещения совместите линию развертки с центром экрана ЭЛТ.
Ручкой «ФОКУС» установить одинаковую четкость изображения по всей линии луча.
Установить переключатель «Ѵ/дел.» в положение «▼ 5 Дел», а ручку «УСИЛЕНИЕ» в крайнее правое положение (до щелчка). На экране должны появиться прямоугольные импульсы величиной 5 клеток по вертикали.
Установите поворотом ручки «УРОВЕНЬ» устойчивое положение изображения на экране ЭЛТ.
3.Провести калибровку: выставить масштаб по вертикали и горизонтали, настроить уровень и синхронизацию, проверить перемещение изображения.
Установить переключатель «СИНХР» в положение «+≂». Линия развертки должна начинаться с положительного перепада импульса. Установите переключатель «СИНХР» в положение «-≂». Линия развертки должна начинаться с отрицательного перепада импульса.
Установить переключатель «mS/дел, μS/дел» в положение «1 mS/дел.». Поворотом ручки «↔» совместите начало перепада сигнала с первой вертикальной линией экрана ЭЛТ. На всей длине экрана должно помещаться 10 перепадов.
Повернуть ручку «↔» от упора до упора. Изображение должно перемещаться по горизонтали.
Если величина изображения по вертикали не соответствует 5 делениями, то необходимо произвести ее корректировку с помощью потенциометра « Ѵ/дел.», расположенного с левой стороны осциллографа. Для корректировки масштаба изображения по горизонтали служит потенциометр «▼ДЛИТ. РАЗВЕР», расположенный с правой стороны.
Подать исследуемый сигнал с выхода генератора на гнездо «➙◯ Υ 1 ΜΩ 35 pF» осциллографа.
Установить переключатель «∽⟂≂» в положение «∽» (закрытый вход)
Установить переключатель «Ѵ/дел.» так, чтобы исследуемый сигнал занимал на экране ЭЛТ около 5-ти делений.
Установить устойчивое изображение с помощью ручки «УРОВЕНЬ». Переключатель «mЅ/дел, µЅ/дел» установите так, чтобы на экране наблюдалось несколько периодов исследуемого сигнала.
Установить ручку «↕» так, чтобы нижний уровень сигнала совпадал с одной из нижних линий сетки, а верхний уровень находился в пределах рабочей части экрана. Ручкой «↔» сместите изображение таким образом, чтобы верхний уровень находился на центральной вертикальной линии.
Измерить расстояние в делениях между крайними точками изображения по вертикали (амплитуда). Ручку усилителя «УСИЛЕН.» поставьте в крайнее правое положение.
Умножить амплитуду на коэффициент отклонения. Следует также учитывать коэффициент ослабления, используется выносной делитель напряжения 1:10.
4. Измерить параметры синусоидального сигнала: подключить генератор, настроить масштаб и уровень, получить устойчивое изображение, измерить амплитуду и вычислить ее с учетом коэффициентов. Измерить длительность сигнала: подать сигнал, установить масштаб по времени, добиться устойчивого изображения и провести измерения по инструкции.
Для измерения длительности сигнала между 2-мя точками производятся следующие операции:
- Подать исследуемый сигнал на гнездо «➙◯ Υ1Ω 35 pF».
- Установить переключатель «Ѵ/ дел.» так, чтобы изображение на экране равнялось 5 делениям.
- Установить ручкой уровень устойчивого изображения на экране ЭЛТ.
- Переместить ручкой «↕» изображение так, чтобы точки, между которыми измеряется время, находились на горизонтальной центральной линии.
- Установить ручкой «↔» изображение так, чтобы точки, между которыми измеряется время, находились в пределах 10 центральных делений сетки.
- Измерить горизонтальное расстояние между измеряемыми точками. Ручка развертки «ПЛАВНО» должна быть установлена в крайнее правое положение.
- Умножить это расстояние на коэффициент развертки.
Для измерения частоты периодических сигналов проделать следующее:
- Измерить длительность одного периода сигнала.
- Рассчитать частоту сигнала fc по формуле: fc = 1/T(c) где fc частота, Гц; Т- длительность периода, сек.
Результаты измерений и расчетов занести в таблицу.
Таблица 1.
Результаты измерений и расчетов
|
Измеряемый параметр |
Установленное значение |
Размер на экране, дел. |
Цена деления |
Результат измерений |
|
Амплитуда, В |
3 |
6 5 4 |
1 0,2 0,05 |
3 0,5 0,1 |
|
Период, с |
1*10-3 |
4,8 4,8 7,4 |
0,2*103 1*106 104 |
0,96*10-3 4,8*10-6 74*10-6 |
|
Частота, КГц |
1 10 50 100 |
2 5 2 2 |
0,5 20 10 5 |
1 10 50 100 |
5. Получить фигуру Лиссажу.
Для создания внешней горизонтальной развертки установить тумблер «РАЗВЕРТ. ➙◯✕» (с правой стороны осциллографа) в положение «➙◯✕». На вход канала «Х» горизонтального отклонения подайте сигнал с генератора ГЗ-118.
Если при этом на вход «Y» подать сигнал с другого генератора с той частотой, то в зависимости от начальных фаз этих сигналов на экране получим фигуру Лиссажу, т.е. эллипс, форма которого зависит от амплитуд входных сигналов.
Из-за нестабильности частот двух генераторов фигуры могут перемещаться на экране. Чем выше нестабильность, тем быстрее вращается фигура Лиссажу, затрудняет определение фазы и кратности частот.
Изменить частоту одного из генераторов в два раза и затем медленным вращением ручек «частота» на генераторах добейтесь получения одной из фигур, показанных на рисунке.

Рисунок 2. Фигуры
Контрольные вопросы:
1. Какие параметры электрических сигналов позволяет измерять электронно-лучевой осциллограф?
Осциллограф позволяет измерять амплитуду сигнала, частоту (или период), форму сигнала, время нарастания и спада, а также фазовые сдвиги между сигналами.
2. В чем отличие режимов «открытый вход» и «закрытый вход»?
«Открытый вход» означает, что входной сигнал напрямую подается на усилительный каскад без дополнительного затухания или воздействия. «Закрытый вход» — вход осциллографа эквивалентен замкнутому контуру (например, заземлен, чтобы исключить воздействие сигнала).
3. Для чего необходимо обеспечивать задержку сигналов в тракте вертикального отклонения?
Задержка необходима для синхронизации входного сигнала с запуском горизонтальной развертки, чтобы начальная точка развертки совпадала с началом наблюдаемого сигнала, обеспечивая четкое, неподвижное изображение.
4. Какие параметры осциллографа можно менять с помощью резисторов R1 и R2 на структурной схеме ЭЛО?
Резисторы R1 и R2 обычно используются для установки режимов чувствительности и усиления вертикального усилителя, регулируя амплитудные характеристики осциллографа.
5. Какие виды синхронизации использованы в осциллографе?
Осциллограф С1-73 использует внутренний, внешний и альтернативный виды синхронизации для стабилизации развертки изображения.
6. Какое условие должно выполняться для получения неподвижного изображения периодического сигнала?
Частота развертки должна быть кратна частоте сигнала, чтобы каждый новый цикл отклонения совпадал по фазе с предыдущим.
7. Для обеспечения, какого режима работы может быть использован вход канала горизонтальной развертки (вход «Х»)?
Вход «Х» используется для режима XY, позволяющего отображать зависимость одного сигнала от другого по координатам X и Y, что важно для анализа фазовых отношений и частотно-амплитудных характеристик.
Вывод: В ходе работы с осциллографом С1-73 была освоена методика подготовки прибора к эксплуатации, его калибровка и проведение измерений параметров периодических электрических сигналов. Полученные знания и навыки позволяют точно контролировать амплитуду, частоту и временные характеристики сигналов, что является основой диагностики и настройки электрических цепей.
Для специальности технической эксплуатации электрифицированных и пилотажно-навигационных комплексов эта работа особенно важна, так как:
- Осциллограф является ключевым инструментом для анализа и контроля сложных электрических процессов в системах электрификации и навигации.
- Умение правильно настраивать и считывать параметры сигналов позволяет своевременно выявлять дефекты и неисправности оборудования.
- Точные измерения обеспечивают надежность работы пилотажно-навигационных систем, что критично для безопасности полетов.
- Навыки работы с осциллографом способствуют профессиональному росту и расширению технических компетенций в области электроники и радиотехники.
Изучение осциллографа - необходимый этап подготовки специалистов, обеспечивающий качество технического обслуживания и эксплуатацию высокоточных электронных комплексов.





