ИССЛЕДОВАНИЕ ОСНОВНЫХ ХАРАКТЕРИСТИК ТРЁХФАЗНОГО АСИНХРОННОГО ДВИГАТЕЛЯ
Конференция: CCCXXV Студенческая международная научно-практическая конференция «Молодежный научный форум»
Секция: Физико-математические науки

CCCXXV Студенческая международная научно-практическая конференция «Молодежный научный форум»
ИССЛЕДОВАНИЕ ОСНОВНЫХ ХАРАКТЕРИСТИК ТРЁХФАЗНОГО АСИНХРОННОГО ДВИГАТЕЛЯ
Асинхронные двигатели переменного тока являются наиболее распространёнными электрическими машинами, применяемыми в промышленности и транспорте. Их широкое использование объясняется простотой конструкции, надёжностью, низкой стоимостью и удобством эксплуатации. Особенно широко применяются трёхфазные асинхронные двигатели, работающие от сети переменного тока промышленной частоты.
Изучение принципа работы и характеристик асинхронного двигателя является важной частью курса «Электротехника». Практические расчёты позволяют лучше понять физические процессы, происходящие в двигателе, а также освоить методы определения его основных параметров.
Постановка задачи и цель работы «Трёхфазный асинхронный двигатель» направлена на изучение и определение основных параметров асинхронного двигателя.
Цель работы — ознакомиться с устройством, принципом действия и методикой расчёта основных эксплуатационных характеристик трёхфазного асинхронного двигателя.
В процессе выполнения работы необходимо:
изучить схему трёхфазного асинхронного двигателя; выписать исходные данные согласно заданному варианту; рассчитать частоту вращения магнитного поля статора; определить скольжение, номинальную мощность, потери энергии;
рассчитать коэффициент полезного действия и вращающий момент двигателя.

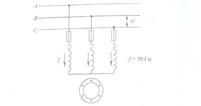
Рисунок 1. Схема и параметры трёхфазного асинхронного двигателя
Трёхфазный асинхронный двигатель состоит из статора и ротора, разделённых воздушным зазором. Статор представляет собой неподвижную часть двигателя и содержит трёхфазную обмотку, подключаемую к сети переменного тока частотой 50 Гц.
Ротор является вращающейся частью двигателя. В большинстве случаев применяется короткозамкнутый ротор, выполненный в виде алюминиевых или медных стержней, соединённых с двух сторон кольцами. Такая конструкция отличается высокой надёжностью и простотой изготовления.
Принцип работы асинхронного двигателя основан на явлении электромагнитной индукции. При подаче напряжения на обмотку статора создаётся вращающееся магнитное поле, частота вращения которого определяется по формуле:
n₁ = 60f / p,
где f — частота питающей сети, p — число пар полюсов.
Вращающееся магнитное поле индуцирует токи в обмотке ротора, которые взаимодействуют с магнитным полем статора и создают электромагнитный момент. В результате этого ротор начинает вращаться в том же направлении, что и магнитное поле, но с меньшей скоростью.
К основным характеристикам асинхронного двигателя относятся: частота вращения ротора; скольжение; номинальная мощность; коэффициент полезного действия; коэффициент мощности; вращающий момент.
Скольжение характеризует разницу между частотой вращения магнитного поля и ротора и определяется в процентах. В номинальном режиме скольжение обычно составляет 2–5 %, что подтверждает высокую стабильность скорости асинхронного двигателя.
Расчёт основных параметров двигателя:
На основе исходных данных варианта выполняются расчёты мощности, тока, потерь энергии и вращающего момента двигателя. Потери энергии складываются из потерь в обмотках статора и ротора, магнитных и механических потерь.
Коэффициент полезного действия асинхронного двигателя определяется как отношение полезной механической мощности к потребляемой из сети активной мощности. В номинальном режиме КПД достигает значений 0,9–0,95.

Рисунок 2. Порядок расчёта параметров асинхронного двигателя
Область применения:
Трёхфазные асинхронные двигатели широко применяются в приводах насосов, вентиляторов, компрессоров, подъёмных механизмов, а также в железнодорожном и промышленном оборудовании. Благодаря своей надёжности и простоте обслуживания они являются основным типом электродвигателей в промышленности.
В ходе выполнения практической работы были изучены устройство, принцип действия и основные характеристики трёхфазного асинхронного двигателя. Проведённые расчёты позволили определить эксплуатационные параметры двигателя и подтвердить его высокую эффективность.
Полученные знания имеют важное практическое значение для дальнейшего изучения электрических машин и их применения в профессиональной деятельности.





